










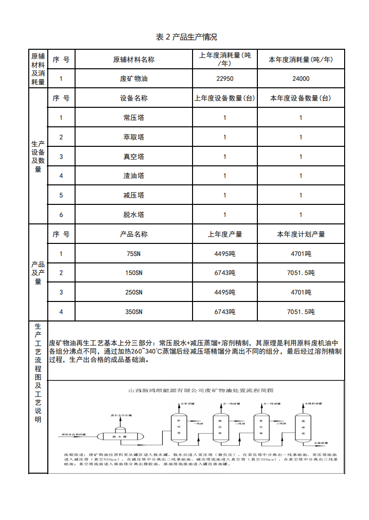
潤滑油 基礎(chǔ)油
采購經(jīng)理:18635172666 / 18135825432 采購經(jīng)理:13734154168 / 13734152220
銷售經(jīng)理:18635172666 / 18135825432 銷售經(jīng)理:13734154168 / 18634481666
總部熱線:400-109-8808 總部熱線:15364589899 / 0358-3079999
|
|
| 微信公眾號(hào) | 抖音二維碼 |